Valček jednotlivého kolesa
Cat:Pohonný valček
Typ Veľkosť valca Šírka valca Valčekový materiál ...
Poháňaný valček je typ valca s voľbami používanými v poháňaných valcových dopravníkoch, zvyčajne vybavenými hnacími kolesami, ako sú sprockety, viacsokeové remenice, časovacie remenice, kladky V-pásov alebo valčeky s dĺžkami. Poháňané valčeky so sprocketmi ponúkajú vysokú kapacitu na zaťaženie, so sprocketmi zvyčajne vyrobenými z ocele a dostupné v rôznych špecifikáciách na základe požiadaviek na zaťaženie. Poháňané valčeky s viac klinovými kladkami, časovacími kladkami a kladkami V-pásov sú navrhnuté pre systémy poháňané pásmi a majú ľahšie zaťažovacie kapacity. Valce O-GroBed sa tiež používajú pre ľahké valcové dopravníky s nákladnými kapacitou nižšími ako valčeky poháňané pásom.

Typ Veľkosť valca Šírka valca Valčekový materiál ...
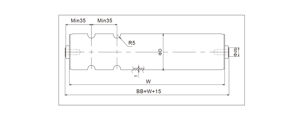
| Typ | Veľkosť valca | Šírka valca | Valčekový materiál | Ložisko | Priemer hriadeľa | Veľkosť vložky | Ozubené koleso | d | d2 | A | B | W1 | Bb |
| KR-384010S | 38,1 × 2,3 | 100 ~ 800 | Stkm | 6001zz · 6201z | 12.0 | 18 × 12,2 × 26 | #40 × 10TS | 46 | 41.1 | 12 | 14 | W-1 | W 28 |
| KR-424010S | 42,7 × 2,3 | 100 ~ 800 | Stkm | 6001zz · 6201z | 12.0 | 18x12.2 × 26 | #40 × 10TS | 46 | 41.1 | 12 | 14 | W | W 28 |
| KR-484010S | 48,6 × 3,5 | 100 ~ 800 | SGP40A | 6001zz · 6201z | 12.0 | 18 × 12,2 × 26 | #40 × 10TS | 46 | 41.1 | 12 | 11 | W 5 | W 28 |
| KR-504010S | 50,8 × 1,6 | 100 ~ 800 | Stkm | 6001zz · 6201z | 12.0 | 18 × 12,2 × 26 | #40 × 10TS | 46 | 41.1 | 12 | 13 | W-1 | W 28 |
| KR-574010S | 57,1 × 2,1 | 100 ~ 1000 | Stkm | 6001zz · 6201z | 12.0 | 18 × 12,2 × 26 | #40 × 10TS | 46 | 41.1 | 12 | 13 | W | W 28 |
| KR-604010S | 60,5 × 2,3 | 100 ~ 1000 | Stkm | 6001zz · 6201z | 12.0 | 18 × 12,2 × 26 | #40 × 10TS | 46 | 41.1 | 12 | 13 | W | W 28 |
| KR-605011S | 60,5 × 3. | 100 ~ 1000 | SGP50A | 6002 | 15.0 | 21 × 15,2 × 41,5 · 21 × 15,2 × 12 | #50 × 11TS | 63 | 56.35 | 20 | 18 | W 3 | W 48 |
| KR-765011 | 76,3 × 4,2 | 100 ~ 1000 | SGP65A | 6002 | 15.0 | 21 × 15,2 × 41,5 · 21 × 152 × 12 | #50 × 11TS | 63 | 56.35 | 20 | 18 | W 2 | W 48 |
| KR-605013S | 60,5 × 3,8 | 100 ~ 1000 | SGP50A | 6004zz | 20.0 | 29 × 20,2 × 38,5 · 29 × 20,2 × 15 | #50 × 13TS | 73 | 66.34 | 20 | 18 | W 1 | W 48 |
| KR-765013S | 76,3 × 4,2 | 100 ~ 1000 | SGP65A | 6004zz | 20.0 | 29x20.2x38,5 · 29 × 20,2 × 15 | #50 × 13TS | 73 | 66.34 | 20 | 18 | W 2 | W 48 |
| KR-895013S | 89,1 × 4,2 | 100 ~ 1000 | SGP80A | 6004zz | 20.0 | 29 × 20,2 x 38,5 · 29 × 202x15 | #50 × 13TS | 73 | 66.34 | 20 | 18 | W | W 48 |
| KR-1146014S | 114,3 × 4,5 | 300 až 2000 | SGP100A | 6205 | 25.0 | 35 × 26 × 19,35 × 26 × 21 | #60 × 14TS | 93 | 85.61 | 20 | 23 | W | W 58 |
| KR-1406016S | 139,8 × 4,5 | 300 až 2000 | SGP125A | 6206 | 30.0 | 38 × 31,1 × 19 · 38 × 31,1 × 21 | #60 × 16T | 107 | 97.65 | 20 | 23 | W | W 58 |

Typ Veľkosť valca Šírka valca Valčekový materiál ...
| Typ | Veľkosť valca | Šírka valca | Valčekový materiál | Ložisko | Priemer hriadeľa | Veľkosť vložky | Ozubené koleso | d1 | d2 | A | B | C | W1 | Bb |
| KR-384010Sw | 38,1 × 2,3 | 100 ~ 800 | Stkm | 6001zz · 6201z | 12.0 | 18 × 12,2 × 53 | #40 × 10TSW | 46 | 41.1 | 12 | 23 | 18 | W-1 | W 58 |
| KR-424010Sw | 42,7 × 2,3 | 100 ~ 800 | Stkm | 6001zz · 6201z | 12.0 | 18 × 12,2 × 53 | #40 × 10TSW | 46 | 41.1 | 12 | 23 | 18 | W | W 58 |
| KR-484010Sw | 48,6 × 3,5 | 100 ~ 800 | SGP40A | 6001zz · 6201z | 12.0 | 18 × 12,2 × 53 | #40 × 10TSW | 46 | 41.1 | 12 | 23 | 15 | W 5 | W 58 |
| KR-504010Sw | 50,8 × 1,6 | 100 ~ 800 | Stkm | 6001zz · 6201z | 12.0 | 18 × 12,2 × 53 | #40x10TSW | 46 | 41.1 | 12 | 23 | 18 | W-1 | W 58 |
| KR-574010Sw | 57,1 × 2,1 | 100 ~ 1000 | Stkm | 6001zz · 6201z | 12.0 | 18 × 12,2 × 53 | #40 × 10TSW | 46 | 41.1 | 12 | 23 | 18 | W | W 58 |
| KR-604010Sw | 60,5 × 2,3 | 100 ~ 1000 | Stkm | 6001zz · 6201z | 12.0 | 18 × 12,2 × 53 | #40 × 10TSW | 46 | 41.1 | 12 | 23 | 18 | W | W 58 |
| KR-605011SW | 60,5 × 3,8 | 100 ~ 1000 | SGP50A | 6002 | 15.0 | 21x15,2 × 66,5 · 21 × 15,2x12 | #50 × 11TSW | 63 | 56.35 | 20 | 25 | 18 | W 3 | W 7 |
| KR-765011Sw | 76,3 × 4,2 | 100 ~ 1000 | SGP65A | 6002 | 15.0 | 21 × 15,2 × 66,5 · 21 × 15,2 × 12 | #50 × 11TSW | 63 | 56.35 | 20 | 25 | 18 | W 2 | W 73 |
| KR-605013Sw | 60,5 × 3,8 | 100 ~ 1000 | SGP50A | 6004zz | 20.0 | 29 × 20,2 × 63,5 · 29 × 20,2 × 15 | #50 × 13TSW | 73 | 66.34 | 20 | 25 | 18 | W 1 | W 73 |
| KR-765013Sw | 76,3 × 4,2 | 100 ~ 1000 | SGP65A | 600422 | 20.0 | 29 × 20,2 × 63,5 · 29 × 20,2x15 | #50 × 13TSW | 73 | 66.34 | 20 | 25 | 18 | W 2 | W 73 |
| KR-895013Sw | 89,1 × 4,2 | 100 ~ 1000 | SGP80A | 6004zz | 20.0 | 29 × 20,2 × 63,5 · 29 × 20,2 × 15 | #50 × 13TSW | 73 | 66.34 | 20 | 25 | 18 | W | W 73 |

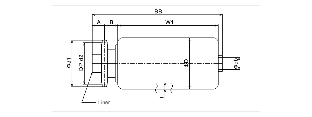
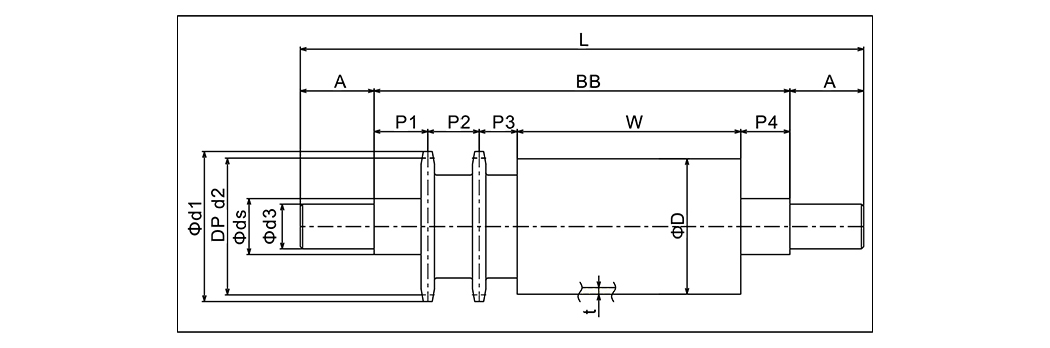
Typ Veľkosť valca Zver Valček Brada ...
| Typ | Veľkosť valca | Zver | Valček | Brada | Priemer hriadeľa | Ozubené koleso | d1 | d2 | d3 | A | L | Bb | P1 | P2 | P3 | P4 |
| KPR-574015SW | 57,2 × 2,6 | 300 až 2000 | Stkm | UCPA204 | 25xW 152 | #40 × 15TSW | 67 | 61.08 | 20 | 33 | W 152 | W 86 | 24 | 23 | 17 | 22 |
| KPR-604015SW | 60,5 × 3,8 | 300 až 2000 | Stkm | UCPA204 | 25xW 152 | #40 × 15TSW | 67 | 61.08 | 20 | 33 | W 152 | W 86 | 24 | 23 | 17 | 22 |
| KPR-765013Sw | 76,3 × 4,2 | 300 až 2000 | SGP65A | UCPA204 | 25xW 163 | #50 × 13TSW | 73 | 66.34 | 20 | 33 | W 163 | W 97 | 32 | 25 | 18 | 22 |
| KPR-895013Sw | 89,1 × 4,2 | 300 až 2000 | SGP80A | UCPA206 | 35xW 169 | #50 × 13TSW | 73 | 66.34 | 30 | 39 | W 169 | W 91 | 29 | 25 | 18 | 19 |
| KPR-1015018SW | 101,6 × 4,5 | 300 až 2000 | SGP90A | UCPA206 | 35xW 169 | #50 × 18TSW | 98 | 91.42 | 30 | 39 | W 169 | W 91 | 29 | 25 | 18 | 19 |
| KPR-1145018SW | 114,3 × 4,5 | 300 až 2000 | SGP100A | UCPA206 | 35xW 169 | #50 × 18TSW | 98 | 91.42 | 30 | 39 | W 169 | W 91 | 29 | 25 | 18 | 19 |
| KPR-1405018SW | 139,8 × 4,5 | 300 až 2000 | SGP125A | UCPA206 | 35xW 169 | #50 × 18TSW | 98 | 91.42 | 30 | 39 | W 169 | W 91 | 29 | 25 | 18 | 19 |

Typ Veľkosť valca Šírka valca Valčekový materiál ...
| Typ | Veľkosť valca | Šírka valca | Valčekový materiál | Ložisko | Priemer hriadeľa | Veľkosť vložky | Ozubené koleso | |||||
| MAC-CN384010S | 38,1 × 2,3 | 100 ~ 800 | Stkm | 6001zz · 6201z | 12.0 | 18 × 12,2 × 17 | #40 × 10TS | |||||
| MAC-CN424010S | 42,7 × 2,3 | 100 ~ 1000 | Stkm | 6001zz · 6201z | 12.0 | 18x12.2 × 17 | #40 × 10TS | |||||
| MAC-CN484010S | 48,6 × 3,5 | 100 ~ 1000 | SGP40A | 60012Z · 6201Z | 12.0 | 18 × 12,2 × 17 | #40 × 10TS | |||||
| MAC-CN504010S | 50,8 × 1,6 | 100 ~ 1000 | Stkm | 6001zz · 6201z | 12.0 | 18 × 12,2 × 17 | #40 × 10TS | |||||
| MAC-CN574010S | 57,1 × 2,1 | 100 ~ 1000 | Stkm | 6001zz · 6201z | 12.0 | 18 × 12,2 × 17 | #40 × 10TS | |||||
| MAC-CN604010S | 60,5 × 2,3 | 100 ~ 1000 | Stkm | 6001zz · 6201z | 12.0 | 18 × 12,2 × 17 | #40 × 10TS | |||||
| Typ | Veľkosť valca | Šírka valca | Valčekový materiál | Ložisko | Priemer hriadeľa | Ozubené koleso | ||||||
| MAC-CS384010S | 38,1 × 2,3 | 100 ~ 800 | Stkm | 6001zz · 6201z | 12.0 | #40 × 10TS | ||||||
| MAC-CS424010S | 42,7 × 2,3 | 100 ~ 1000 | Stkm | 6001zz · 6201z | 12.0 | #40 × 10TS | ||||||
| MAC-CS484010S | 48,6 × 3,5 | 100 ~ 1000 | SGP40A | 6001zz · 6201z | 12.0 | #40 × 10TS | ||||||
| MAC-CS504010S | 50,8 × 1,6 | 100 ~ 1000 | Stkm | 6001zz · 6201z | 12.0 | #40 × 10TS | ||||||
| MAC-CS574010S | 57,1 × 2,1 | 100 ~ 1000 | Stkm | 6001zz · 6201z | 12.0 | #40 × 10TS | ||||||
| MAC-CS604010S | 60,5 × 2,3 | 100 ~ 1000 | Stkm | 6001zz · 6201z | 12.0 | #40 × 10TS | ||||||

Typ Veľkosť valca Šírka valca Valčekový materiál ...
| Typ | Veľkosť valca | Šírka valca | Valčekový materiál | Ložisko | Priemer hriadeľa | Veľkosť vložky | Ozubené koleso |
| MAC-CN384010Sw | 38,1 × 2,3 | 100 ~ 800 | Stkm | 6001Z · 6201Z | 12.0 | 18 × 12,2 × 17 | #40 × 10TS |
| MAC-CN424010SWWSW | 42,7 × 2,3 | 100 ~ 1000 | Stkm | 6001zz · 6201z | 12.0 | 18 × 12,2 × 17 | #40 × 10TS |
| MAC-CN484010SWWSW | 48,6 × 3,5 | 100 ~ 1000 | SGP40A | 6001zz · 6201z | 12.0 | 18 × 12,2 × 17 | #40 × 10TS |
| MAC-CN504010Sw | 50,8 × 1,6 | 100 ~ 1000 | Stkm | 6001Z · 6201Z | 12.0 | 18 × 12,2 × 17 | #40 × 10TS |
| MAC-CN574010SWSW | 57,1 × 2,1 | 100 ~ 1000 | Stkm | 6001zz · 6201z | 12.0 | 18 × 12,2 × 17 | #40 × 10TS |
| MAC-CN604010SWSW | 60,5 × 2,3 | 100 ~ 1000 | Stkm | 6001zz · 6201z | 12.0 | 18 × 12,2 × 17 | #40 × 10TS |

R centrum 1000 Celková dĺžka Šírka valca ...
| R centrum | 1000 | Celková dĺžka | Šírka valca | Široký dopravník | Úzka cesta | Veľký priemer | Nakladanie valca | Váha valca | |||
| Ozubené koleso | #40 × 10TSW | (∅) | Hrúbka | (∅) | Hrúbka | ||||||
| W valcová šírka | 200 ~ 600 | 258 | 200 | 260 | 51.5 | 3.0 | 62.5 | 2.6 | 1842 | 1236 | |
| Valčekový materiál | Stkm | 358 | 300 | 360 | 48.8 | 3.0 | 65.2 | 2.6 | 1215 | 1643 | |
| Osvedčenie | 6001zz · 6201z | 458 | 400 | 460 | 46.0 | 3.1 | 68.0 | 2.6 | 911 | 2050 | |
| priemer hriadeľa DB | 12.0 | 558 | 500 | 560 | 43.3 | 3.2 | 70.7 | 2.4 | 725 | 2456 | |
| Veľkosť DC × DC × LC/LINER | 18 × 12,2 × 53 · 18 × 12,2 × 7 | 658 | 600 | 660 | 41.3 | 3.3 | 74.0 | 2.3 | 597 | 2863 | |
| R centrum | 1200 | Celková dĺžka | Šírka valca | Široký dopravník | Úzka cesta | Veľký priemer | Nakladanie valca | Váha valca | |||
| Ozubené koleso | #40 × 10TSW | (∅) | Hrúbka | (∅) | Hrúbka | ||||||
| W valcová šírka | 200 ~ 600 | 258 | 200 | 260 | 52.1 | 2.9 | 61.9 | 2.5 | 1842 | 1.132 | |
| Valčekový materiál | Stkm | 358 | 300 | 360 | 49.7 | 3.0 | 64.3 | 2.4 | 1215 | 1487 | |
| Osvedčenie | 6001zz · 6201z | 458 | 400 | 460 | 47.3 | 3.1 | 65.7 | 2.4 | 911 | 1842 | |
| priemer hriadeľa DB | 12.0 | 558 | 500 | 560 | 45.0 | 3.2 | 69.2 | 2.8 | 725 | 2197 | |
| Veľkosť DC × DC × LC/LINER | 18 × 12,2 × 53 · 18 × 12,2 × 7 | 658 | 600 | 660 | 45.0 | 3.2 | 74.0 | 2 | 597 | 2552 | |
| R centrum | 1500 | Celková dĺžka | Šírka valca | Široký dopravník | Úzka cesta | Veľký priemer | Nakladanie valca | Váha valca | |||
| Ozubené koleso | #40 × 10TSW | (∅) | Hrúbka | (∅) | Hrúbka | ||||||
| W valcová šírka | 200 ~ 600 | 258 | 200 | 260 | 52.6 | 2.7 | 61.4 | 2.8 | 1842 | 1233 | |
| Valčekový materiál | Stkm | 358 | 300 | 360 | 50.4 | 2.9 | 63.6 | 2.7 | 1215 | 1645 | |
| Osvedčenie | 6001zz · 6201z | 458 | 400 | 460 | 48.0 | 3.1 | 65.4 | 2.4 | 911 | 2046 | |
| priemer hriadeľa DB | 12.0 | 558 | 500 | 560 | 48.0 | 3.4 | 69.8 | 2.4 | 725 | 2452 | |
| Veľkosť DC × DC × LC/LINER | 18 × 12,2 × 53 · 18 × 12,2 × 7 | 658 | 600 | 660 | 48.0 | 3.1 | 74.0 | 2.1 | 597 | 2.86 | |
| R centrum | 2000 | Celková dĺžka | Šírka valca | WDE dopravníka | Úzka cesta | Veľký priemer | Nakladanie valca | Váha valca | |||
| Ozubené koleso | #40 × 10TSW | (∅) | Hrúbka | (∅) | Hrúbka | ||||||
| W valcová šírka | 400 ~ 800 | 458 | 400 | 460 | 50.0 | 3.0 | 62.5 | 2.3 | 911 | 1990 | |
| Valčekový materiál | Stkm | 558 | 500 | 560 | 50.0 | 3.0 | 65.6 | 2.2 | 725 | 2398 | |
| Osvedčenie | 6001zz · 6201z | 658 | 600 | 660 | 50.0 | 3.0 | 68.8 | 2.2 | 597 | 2797 | |
| priemer hriadeľa DB | 12.0 | 758 | 700 | 760 | 50.0 | 3.0 | 71.9 | 2.1 | 519 | 3210 | |
| Veľkosť DC × DC × LC/LINER | 18 × 12,2 × 53 · 18 × 12,2 × 7 | 858 | 800 | 860 | 50.0 | 3.0 | 75.0 | 2.0 | 450 | 3620 | |

R centrum 500 Celková dĺžka Šírka valca ...
| R centrum | 500 | Celková dĺžka | Šírka valca | Široký dopravník | Úzka cesta | Veľký priemer | |
| Ozubené koleso | #40 × 10TSW | (∅) | (∅) | ||||
| W valcová šírka | 300 ~ 700 | 328 | 300 | 330 | 42.7 | 60 | |
| Valčekový materiál | Stkm | 428 | 400 | 430 | 42.7 | 65 | |
| Osvedčenie | 6001zz · 6201z | 528 | 500 | 530 | 42.7 | 75 | |
| priemer hriadeľa DB | 12.0 | 628 | 600 | 630 | 42.7 | 80 | |
| Veľkosť DC × DC × LC/LINER | 18 × 12,2 × 27 · 18 × 12,2 × 7 | 728 | 700 | 730 | 42.7 | 89 |
| R centrum | 900 | Celková dĺžka | Šírka valca | Široký dopravník | Úzka cesta | Veľký priemer | |
| Ozubené koleso | #40 × 10TSW | (∅) | (∅) | ||||
| W valcová šírka | 300 ~ 700 | 328 | 300 | 330 | 42.7 | 56 | |
| Valčekový materiál | Stkm | 428 | 400 | 430 | 42.7 | 60 | |
| Osvedčenie | 6001zz · 6201z | 528 | 500 | 530 | 42.7 | 65 | |
| priemer hriadeľa DB | 12.0 | 628 | 600 | 630 | 42.7 | 70 | |
| Veľkosť DC × DC × LC/LINER | 18 × 12,2 × 27 · 18 × 12,2 × 7 | 728 | 700 | 730 | 42.7 | 75 |
| R centrum | 900 | Celková dĺžka | Šírka valca | široký dopravník | Úzka cesta | Veľký priemer | |
| Ozubené koleso | #40 × 10TSW | (∅) | (∅) | ||||
| W valcová šírka | 800 ~ 1000 | 828 | 800 | 830 | 42.7 | 65 | |
| Valčekový materiál | Stkm | 928 | 900 | 930 | 42.7 | 70 | |
| Osvedčenie | 6001zz · 6201z | 1028 | 1000 | 1030 | 42.7 | 75 | |
| priemer hriadeľa DB | 12.0 | ||||||
| Veľkosť DC × DC × LC/LINER | 18 × 12,2 × 27 · 18 × 12,2 × 7 |

Typ Veľkosť valca Šírka valca Valčekový materiál ...
| Typ | Veľkosť valca | Šírka valca | Valčekový materiál | Ložisko | Priemer hriadeľa | Polyvee |
| DQR-3812 | 38,1 × 12 | 100 ~ 1000 | Stkm | 6001zz | 12.0 | Q235 |
| DQRS-3815 | 38,1 × 1,5 | 100 ~ 1000 | SUS304/201 | 6001zz | 12.0 | Q235/SUS |
| DQR-5015 | 50,8 × 1,5 | 100 ~ 1000 | Stkm | 6002 | 12.0 | Živice |
| DQRS-5015 | 50 × 1,5 | 100 ~ 1000 | SUS304/201 | 6002 | 12.0 | Živice |
| DQR-5721 | 57,2 × 2,1 | 100 ~ 1000 | Stkm | 6001zz | 12.0 | Q235 |
| DQR-6023 | 60,5 × 2,3 | 100 ~ 1000 | Stkm | 6002 | 12.0 | Q235 |
| DQRS-6020 | 60 × 2,0 | 100 ~ 1000 | SUS304/201 | 6002 | 12.0 | Q235/SUS/ŽIVINA |
| DQR-7620 | 76,3 × 2,0 | 100 ~ 1000 | Stkm | 6001zz | 12.0 | Q235 |
| DQRS-7620 | 76 × 2,0 | 100 ~ 1000 | SUS304/201 | 6001zz | 12.0 | Q235/SUS |

Typ Veľkosť valca Šírka valca Valčekový materiál ...
| Typ | Veľkosť valca | Šírka valca | Valčekový materiál | Ložisko | Priemer hriadeľa | Vnbbed pully |
| VR-3812 | 38,1 × 1,2 | 100 ~ 1000 | Stkm | 6001zz | 12.0 | Q235 |
| VRS-3815 | 38 × 1,5 | 100 ~ 1000 | SUS304/201 | 6001zz | 12.0 | Q235/SUS |
| VR-5015 | 50,8 × 1,5 | 100 ~ 1000 | Stkm | 6001zz | 12.0 | Q235 |
| VRS-5015 | 50 × 1,5 | 100 ~ 1000 | SUS304/201 | 6001zz | 12.0 | Q235/SUS |
| VR-5721 | 57,2 × 2,1 | 100 ~ 1000 | Stkm | 6001zz | 12.0 | Q235 |
| VR-6023 | 60,5 × 2,3 | 100 ~ 1000 | Stkm | 6001zz | 12.0 | Q235 |
| VRS-6020 | 60 × 2,0 | 100 ~ 1000 | SUS304/201 | 6001zz | 12.0 | Q235/SUS |
| VR-7620 | 76,3 × 2,0 | 100 ~ 1000 | Stkm | 6001zz | 12.0 | Q235 |
| VRS-7620 | 76 × 2,0 | 100 ~ 1000 | SUS304/201 | 6001zz | 12.0 | Q235/SUS |

Typ Veľkosť valca Šírka valca Valčekový materiál ...
| Typ | Veľkosť valca | Šírka valca | Valčekový materiál | Priemer hriadeľa | Ložisko |
| OR-3812 | 38,1 × 1,2 | 100 ~ 1000 | Stkm | 12.0 | SS |
| ORS-3815 | 38,1 × 1,5 | 100 ~ 1000 | SUS304/201 | 12.0 | SS/SUS |
| OR-4214 | 42,7 × 1,4 | 100 ~ 1000 | Stkm | 12.0 | SS |
| OR-5015 | 50,8 × 1,5 | 100 ~ 1000 | Stkm | 12.0 | SS |
| ORS-5015 | 50 × 1,5 | 100 ~ 1000 | SUS304/201 | 12.0 | Ss/živica |
| OR-5721 | 57,2 × 2,1 | 100 ~ 1000 | Stkm | 12.0 | SS |
| OR-6023 | 60,5 × 2,3 | 100 ~ 1000 | Stkm | 12.0 | SS |
| ORS-6020 | 60 × 2,0 | 100 ~ 1000 | SUS304/201 | 12.0 | SS/Resin |
Prečo údržba valčekového dopravníka priamo ovplyvňuje životnosť systému Valčekový dopravník ...
Prečítajte si viacČo robí valčekový dopravník skutočne ťažkým? Ťažký valčekový dopravník nie je definovaný marketin...
Prečítajte si viacČo sú to valčekové dopravníky a prečo na type záleží? Valčekové dopravníky sú systémy na...
Prečítajte si viacPrečo valčekové dopravníky zostávajú chrbticou manipulácie s materiálom Valčekové dopravníky ...
Prečítajte si viacDopravníkové systémy prepravovať milióny ton materiálu každý deň cez továrne, sklady, ťažobné ...
Prečítajte si viacHlavné typy systémov pásových dopravníkov v skratke Pásový dopravník systémy spadajú do ...
Prečítajte si viacProduct Advantages of Wuxi huiqian Driven Roller :High Durability and Load-Bearing Capacity
Spoločnosť Wuxi Huiqian Logistics Machinery Manufacturing Co., Ltd, známa pre integráciu pokročilých japonských logistických technológií, stojí v popredí inovácií v odvetví manipulácie s materiálom. The company specializes in producing a wide range of high-quality logistics equipment, including driven roller , roller conveyors, and various other critical components. Vďaka komamike presnosti, spoľahlivosti a výkonu sú valčeky Wuxi Huiqian navrhnuté tak, aby vyhovovali rôznym potrebám priemyselných odvetví, ktoré sa spoliehajú na efektívne a spoľahlivé systémy manipulácie s materiálom.
Driven rollers play a crucial role in many logistics and manufacturing processes. Či už ide o pohyb veľkých, ťažkých predmetov alebo malých balíkov, tieto valčeky sú neoddeliteľnou súčasťou automatizovaných systémov, ktoré zefektívňujú pracovné postupy a zvyšujú účinnosť. Valčeky Wuxi Huiqian, vrátane valčekov na pohonné koleso a zúžené valčeky, sú skonštruované na trvanlivosť a optimálny výkon v rôznych prevádzkových prostrediach. Kombinácia pokročilých materiálov, špičkových technológií a prispôsobiteľných návrhov robí z týchto valcov preferovanú voľbu pre priemyselné odvetvia na celom svete.
Wuxi Huiqian driven roller is designed to withstand heavy loads and continuous use in demanding environments. Valčeky sú skonštruované pomocou vysoko pevných materiálov, ako je oceľ a nehrdzavejúca oceľ, ktoré zabezpečujú dlhodobý výkon aj za prísnych podmienok. Robustnosť týchto materiálov zaručuje, že valčeky dokážu zvládnuť rôzne kapacity zaťaženia, od ľahkých priemyselných komponentov až po ťažké časti strojov bez toho, aby ohrozili ich štrukturálnu integritu.
Najmä valčeky pohonu ozubeného kolesa sú vyrobené s odolnou a kvalitnou oceľou, aby sa zabezpečilo, že vydrží krútiaci moment potrebný na riadenie dopravných systémov v náročných aplikáciách. Podobne aj zúžené valčeky hnacích hnacích hnacích hnacích hodnôt navrhnutých s uhlom na uľahčenie hladkej prevádzky vykazujú tiež vysokú pevnosť a stabilitu za podmienok vysokého zaťaženia. The advanced material selection minimizes wear and tear, enhancing the rollers’ ability to perform over an extended lifespan.
One of the key advantages of Wuxi Huiqian driven rollers is their versatility and adaptability to meet specific customer requirements. With a strong R&D team at the helm, the company can develop customized solutions that align with unique operational needs. Driven rollers can be tailored in terms of size, material, and functionality to suit a wide range of applications. Či už ide o prispôsobenie priemeru valca, dĺžku alebo pridávanie špecializovaných povlakov, Wuxi Huiqian úzko spolupracuje so zákazníkmi, aby sa zabezpečilo, že produkt zodpovedá presným špecifikáciám.
Schopnosť poskytovať prispôsobené riešenia robí tieto riadené valčeky ideálne pre rôzne priemyselné odvetvia vrátane výroby automobilov, výroby potravín a nápojov, skladovania, logistiky a elektronického obchodu. Valčeky môžu byť prispôsobené tak, aby prispôsobili rôzne typy dopravných systémov a výrobných liniek, čo z nich robí všestranný komponent pri akejkoľvek prevádzke manipulácie s materiálom.
Wuxi Huiqian is known for its high standards of precision engineering, which is crucial for ensuring the reliable performance of driven rollers. The company uses advanced CNC (Computer Numerical Control) machines to manufacture its driven rollers with exceptional accuracy. Táto presnosť zaručuje, že valčeky sa vyrábajú podľa presných špecifikácií potrebných pre každú jedinečnú aplikáciu, čo minimalizuje šance na poruchu alebo neefektívnosť.
Používanie strojov CNC tiež zaisťuje, že valčeky sa vyrábajú dôsledne vo veľkých objemoch, čo umožňuje zachovať vysoké výrobné normy a znižovať riziko defektov. Presnosť sa tiež rozširuje na dizajn sprocketov a zúžených prvkov, čím sa zabezpečuje, že tieto kritické komponenty fungujú hladko a plynulo v konečnej zostave.
Wuxi Huiqian driven rollers are designed to provide high operational efficiency while requiring minimal maintenance. Valčeky sú skonštruované na zníženie trenia a opotrebenia, čo znižuje frekvenciu úloh údržby a rozširuje životnosť zariadenia. This feature is especially important in industries where continuous operation is required and downtime must be minimized.
Valčeky hnacieho čreva sú navrhnuté s prekladacími zubami, ktoré znižujú sklz a zvyšujú prenos energie, čím sa zabezpečuje, že dopravný systém funguje efektívne aj za podmienok vysokého zaťaženia. Podobne sú zúžené valčeky hnacích hnacích zväzkov navrhnuté tak, aby minimalizovalo riziko poškodenia dopravného pásu alebo okolitých komponentov, čím sa zlepšila celková spoľahlivosť systému.
Návrh na nízku údržbu valcov Wuxi Huiqian znižuje prevádzkové náklady znížením potrieb údržby a potenciálu neočakávaného prestoja. Spoločnosť navyše ponúka komplexný systém servisu po predaji, ktorý zabezpečuje, aby sa akékoľvek problémy vyriešili a aby zákazníci mohli udržiavať plynulú prevádzku svojho vybavenia.
Poháňané valčeky z Wuxi Huiqian sú navrhnuté tak, aby boli energeticky efektívne, čo je rozhodujúce pre zníženie prevádzkových nákladov systémov manipulácie s materiálom. The rollers are engineered to minimize energy consumption while maintaining the power necessary to drive the conveyor systems. Toto zameranie na energetickú účinnosť sa premieta do nižších účtov za elektrinu pre podniky, čo prispieva k celkovým úsporám nákladov a environmentálnej udržateľnosti.
V ére, v ktorej sa podniky čoraz viac zaoberajú svojím vplyvom na životné prostredie, zabezpečuje energeticky efektívny dizajn kolieskových valcov Wuiqian.
Sprocket drive rollers are one of the most commonly used types of driven rollers in conveyor systems. Tieto valčeky sú navrhnuté tak, aby boli poháňané reťazcom a sú vybavené špičkami, ktoré sa spájajú s reťazou a zabezpečujú hladkú a spoľahlivú prevádzku. Materiál používaný pre hnacie valčeky ozubeného kolesa je zvyčajne vysoko kvalitná oceľ alebo nehrdzavejúca oceľ, vybraná pre svoju pevnosť, trvanlivosť a schopnosť manipulovať s krútiacim momentom generovaným reťazovým pohonom.
Valčeky pohonu ozubeného kolesa z Wuxi Huiqian sú navrhnuté s presnými toleranciami, aby sa zabezpečilo, že sa sprockety dokonale zapadajú do reťazca, minimalizujú sklz a maximalizujú prenos energie. The rollers are also treated to resist wear and corrosion, enhancing their longevity and reducing maintenance needs. Použitie materiálov s vysokou pevnosťou zaisťuje, že tieto valčeky zvládajú ťažké bremená, vďaka čomu sú vhodné pre priemyselné aplikácie pri výrobe, balení a distribúcii.
Tapered drive rollers feature a cone-shaped design that allows for smooth and efficient movement of materials on a conveyor system. The taper ensures that the materials are guided smoothly along the conveyor, reducing friction and enhancing the system’s overall efficiency. Materiál používaný pre zúžené hnacie valčeky sú zvyčajne z nehrdzavejúcej ocele alebo zliatiny s vysokou pevnosťou, ktorá poskytuje vynikajúcu odolnosť voči opotrebeniu a korózii, vďaka čomu je vhodná pre rôzne prostredia vrátane spracovania potravín, farmaceutík a ťažkého priemyselného využitia.
Zúžený dizajn tiež prispieva k schopnosti valca zvládnuť rôzne veľkosti a hmotnosti materiálov, vďaka čomu sú tieto valce vysoko prispôsobivé na celý rad aplikácií. Zúčastnené hnacie valčeky spoločnosti Wuxiqian sa vyrábajú s presnosťou, aby sa zabezpečilo, že uhol zúženia je konzistentný vo všetkých valcoch, čím poskytuje jednotný výkon v celom dopravnom systéme.
The use of stainless steel and alloy steel in the construction of driven rollers ensures their durability in harsh or corrosive environments. Tieto materiály sú vysoko odolné voči hrdze, korózii a oderu, vďaka čomu sú ideálne pre odvetvia, v ktorých sú valčeky vystavené vlhkosti, chemikáliám alebo iným environmentálnym výzvam. Napríklad priemysel potravín a nápojov, kde je hygiena prioritou, má úžitok z vlastností vallerov riadených nehrdzavejúcou oceľou.
Vlastnosti materiálov odolných voči korózii tiež pomáhajú udržiavať integritu dopravného systému v priebehu času, zabraňuje nákladným opravám a zabezpečuje konzistentný výkon.
Wuxi Huiqian Logistics Machinery Manufacturing Co., riadené valčeky LTD, vrátane modelov pohonnej jednotky a zúžených pohonných modelov, ponúkajú významné výhody z hľadiska trvanlivosti, prispôsobenia, presného inžinierstva a účinnosti. Využitím vysoko kvalitných materiálov, ako sú oceľ a nehrdzavejúca oceľ, poskytujú tieto valce dlhodobé riešenia s nízkou údržbou pre odvetvia od automobilovej výroby po logistiku a spracovanie potravín. Ich schopnosť zvládnuť ťažké zaťaženie, zníženie spotreby energie a hladko fungovať v náročných prostrediach z nich robí spoľahlivú voľbu pre akúkoľvek firmu, ktorá sa snaží optimalizovať svoje systémy manipulácie s materiálom.







