W-26ps (vo vnútri)
Cat:Korytnačka
Typ Veľkosť valca D*w*d*b Hriadeľ Veľkos...
Pokročilá štruktúra, vysokokvalitný výkon, ľahko použiteľný, vysoká spoľahlivosť a trvanlivosť.

Typ Veľkosť valca D*w*d*b Hriadeľ Veľkos...
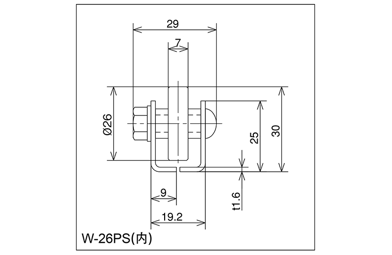
| Typ | Veľkosť valca D*w*d*b | Hriadeľ | Veľkosť rámu H × W1 × W2 × W3 × T | Výška H | Šťavu L | Tón P | Zaťaženie kolesa (kg) | Valčekový materiál |
| W-26ps (vo vnútri) | 26 × 8 × 6 × 16 | M6 × 25L | 25 × 19,2 × 9 × 29 × 1,6 | 30 | 1000 · 1500 · 2000 | 30 · 35 | 30 | Pom |

Typ Veľkosť valca D*w*d*b Hriadeľ Veľkos...
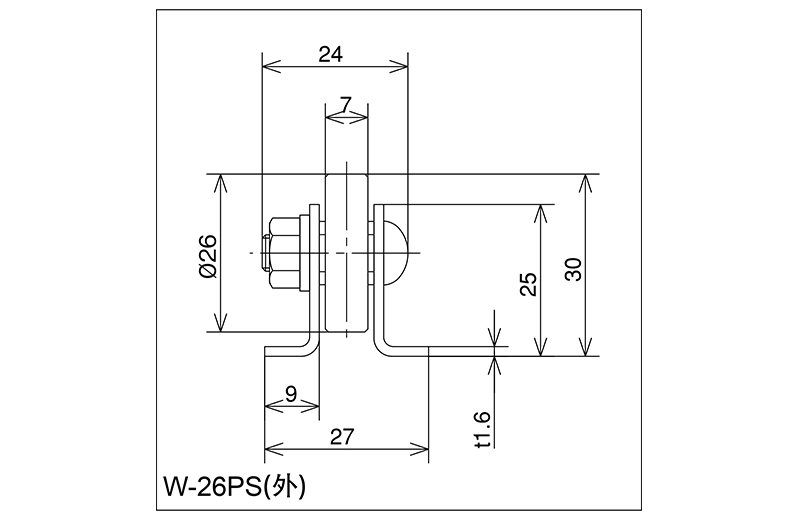
| Typ | Veľkosť valca D*w*d*b | Hriadeľ | Veľkosť rámu H × W1 × W2 × W3 × T | Výška H | Šťavu L | Tón P | Zaťaženie kolesa (kg) | Valčekový materiál |
| W-26ps (vonku) | 26 × 8 × 6 × 10 | M6 × 20L | 25 × 28 × 9 × 24 × 1,6 | 30 | 1000 · 1500 · 2000 | 30 · 35 | 30 | Pom |

Typ Veľkosť valca D*w*d*b Hriadeľ Veľkos...
| Typ | Veľkosť valca D*w*d*b | Hriadeľ | Veľkosť rámu H × W1 × W2 × W3 × T | Výška H | Šťavu L | Tón P | Zaťaženie kolesa (kg) | Valčekový materiál |
| W-38GS | 38 × 12 × 6 × 27 | M6 × 38L | 45 × 32,6 × 10 × 42 × 2,3 | 52 | 1800 · 2400 · 3000 | 50 · 75 · 100 · 150 | 30 | Pom |

Typ Veľkosť valca D*w*d*b Hriadeľ Veľkos...
| Typ | Veľkosť valca D*w*d*b | Hriadeľ | Veľkosť rámu H × W1 × W2 × W3 × T | Výška H | Šťavu L | Tón P | Zaťaženie kolesa (kg) | Valčekový materiál |
| WB-36PS | 36 × 9 × 8 × 28 | M8 × 40L | 42,3 × 60 × 32 × 45 × 1.6 2.3 | 49.3 | 1800 · 2400 · 3000 | 50 · 75 · 100 | 10 | Pom |

Typ Veľkosť valca D*w*d*b Hriadeľ Veľkos...
| Typ | Veľkosť valca D*w*d*b | Hriadeľ | Veľkosť rámu H × W1 × W2 × W3 × T | Výška H | Šťavu L | Tón P | Zaťaženie kolesa (kg) | Valčekový materiál |
| SW-38GS | 38 × 12 × 6 × 27 | M6 × 38L | 45 × 31 × 8,5 × 42 × 1,8 | 53 | 1800 · 2400 · 3000 | 50 · 75 · 100 · 150 | 30 | Pom |

Typ Veľkosť valca D*w*d*b Hriadeľ Veľkos...
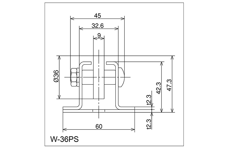
| Typ | Veľkosť valca D*w*d*b | Hriadeľ | Veľkosť rámu H × W1 × W2 × W3 × T | Výška H | Šťavu L | Tón P | Zaťaženie kolesa (kg) | Valčekový materiál |
| W-36PS | 36 × 9 × 8 × 28 | M8 × 40L | 42,3 × 60 × 32,6 × 45 × 2,3 | 47.3 | 1800 · 2400 · 3000 | 50 · 75 · 100 · 150 | 10 | Pom |

Typ Veľkosť valca D*w*d*b Hriadeľ Veľkos...
| Typ | Veľkosť valca D*w*d*b | Hriadeľ | Veľkosť rámu H × W1 × W2 × W3 × T | Výška H | Šťavu L | Tón P | Zaťaženie kolesa (kg) | Valčekový materiál |
| W-36PW | 36 × 9 × 8 × 14 | M8 × 55L | 46,3 × 60 × 33 × 71 × 1.6 2.3 | 52.3 | 1800 · 2400 · 3000 | 50 · 75 · 100 · 150 | 10 | Pomom |
| W-45UW | 45 × 16 × 8 × 22 | M8 × 65L | 46,3 × 60 × 33 × 87 × 1.6 2.3 | 56.8 | 1800 · 2400 · 3000 | 50 · 75 · 100 · 150 | 25 | ABS |

Typ Veľkosť valca D*w*d*b Hriadeľ Veľkos...
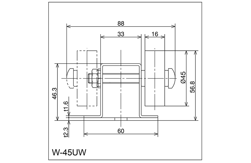
| Typ | Veľkosť valca D*w*d*b | Hriadeľ | Veľkosť rámu H × W1 × W2 × W3 × T | Výška H | Šťavu L | Tón P | Zaťaženie kolesa (kg) | Valčekový materiál |
| W-45UW | 45 × 16 × 8 × 22 | M8 × 65L | 46,3 × 60 × 33 × 87 × 1.6 2.3 | 56.8 | 1800 · 2400 · 3000 | 50 · 75 · 100 · 150 | 25 | ABS |
Prečo údržba valčekového dopravníka priamo ovplyvňuje životnosť systému Valčekový dopravník ...
Prečítajte si viacČo robí valčekový dopravník skutočne ťažkým? Ťažký valčekový dopravník nie je definovaný marketin...
Prečítajte si viacČo sú to valčekové dopravníky a prečo na type záleží? Valčekové dopravníky sú systémy na...
Prečítajte si viacPrečo valčekové dopravníky zostávajú chrbticou manipulácie s materiálom Valčekové dopravníky ...
Prečítajte si viacDopravníkové systémy prepravovať milióny ton materiálu každý deň cez továrne, sklady, ťažobné ...
Prečítajte si viacHlavné typy systémov pásových dopravníkov v skratke Pásový dopravník systémy spadajú do ...
Prečítajte si viac






