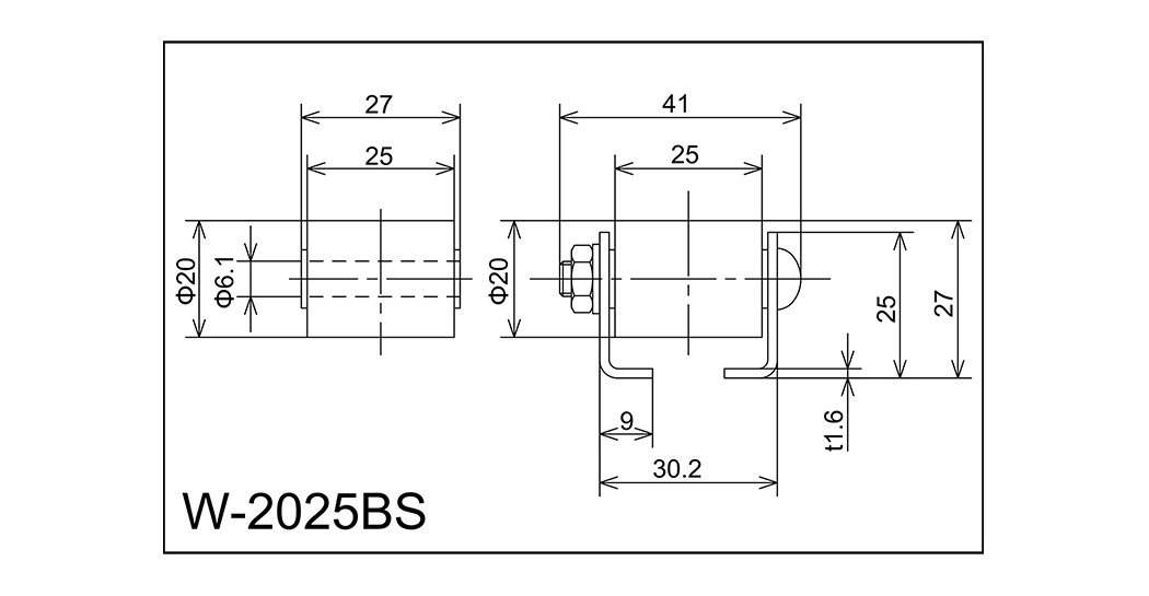
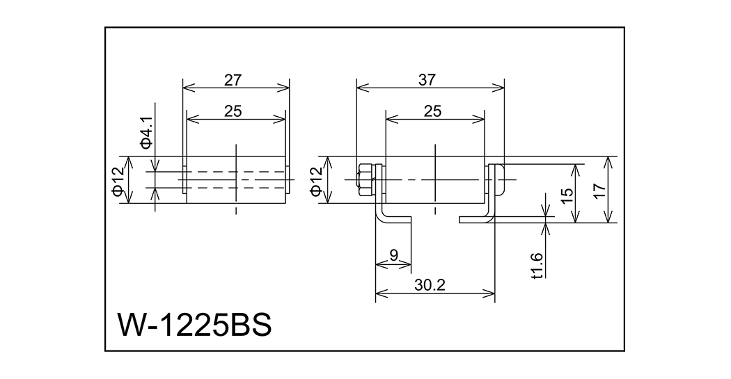
W-1225BS
Cat:Rezanie kolieska
Typ D*w*d*b Hriadeľ Veľkosť rámu h*w1*w2...
Kolový dopravník, tiež známy ako vodiaci koľajnica alebo posúvač na valček, je vysoko efektívny nástroj používaný na manipuláciu s materiálom a automatizačné výrobné linky. Zvyčajne sa skladá z valcov a držiakov. Tieto valce podporujú a usmerňujú zaťaženie hladkého pohybu v určenom smere.

Typ D*w*d*b Hriadeľ Veľkosť rámu h*w1*w2...
| Typ | D*w*d*b | Hriadeľ | Veľkosť rámu h*w1*w2*w3*t | Výška H | Dĺžka L | Tón P | Zaťaženie kolesa (kg) | Typ rámca |
| W-1225BS | 12x25x4.1x27 | M4x35l | 15x30.2x9x37x1.6 | 17 | 1000 · 1500 · 2000 | 14 | 35 | A |

Typ D*w*d*b Hriadeľ Veľkosť rámu h*w1*w2...
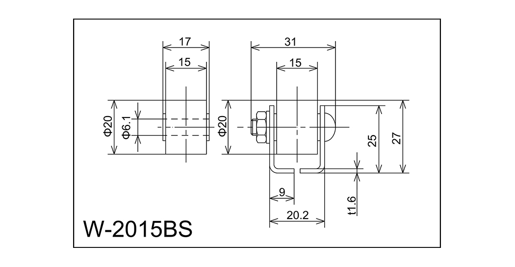
| Typ | D*w*d*b | Hriadeľ | Veľkosť rámu h*w1*w2*w3*t | Výška H | Dĺžka L | Tón P | Zaťaženie kolesa (kg) | Typ rámca |
| W-2015B | 20x15x6.1x17 | M6x27l | 25x20.2x9x31x1.6 | 27 | 1000 · 1500 · 2000 | 25 · 30 · 35 | 30 | A |

Typ D*w*d*b Hriadeľ Veľkosť rámu h*w1*w2...
| Typ | D*w*d*b | Hriadeľ | Veľkosť rámu h*w1*w2*w3*t | Výška H | Dĺžka L | Tón P | Zaťaženie kolesa (kg) | Typ rámca |
| W-2025B | 20x25x6.1x27 | M6x37l | 25x30.2x9x41x1.6 | 27 | 1000 · 1500 · 2000 | 25 · 30 · 35 | 40 | A |

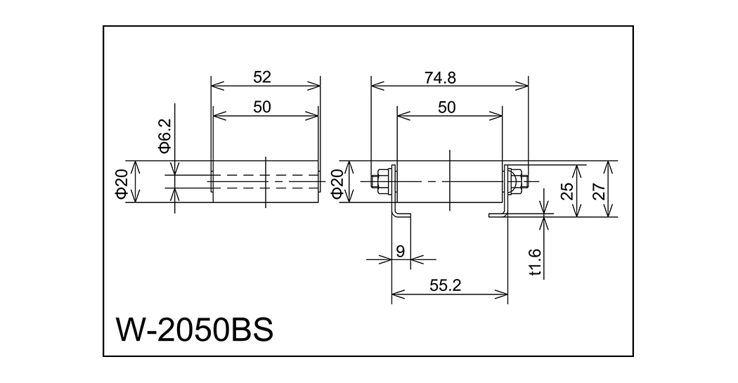
Typ D*w*d*b Hriadeľ Veľkosť rámu h*w1*w2...
| Typ | D*w*d*b | Hriadeľ | Veľkosť rámu h*w1*w2*w3*t | Výška H | Dĺžka L | Tón P | Zaťaženie kolesa (kg) | Typ rámca |
| W-2050B | 20x50x6.2x52 | M6x65l | 25x55.2x9x74.8x1.6 | 27 | 1000 · 1500 · 2000 | 25 · 30 · 35 | 50 | A |

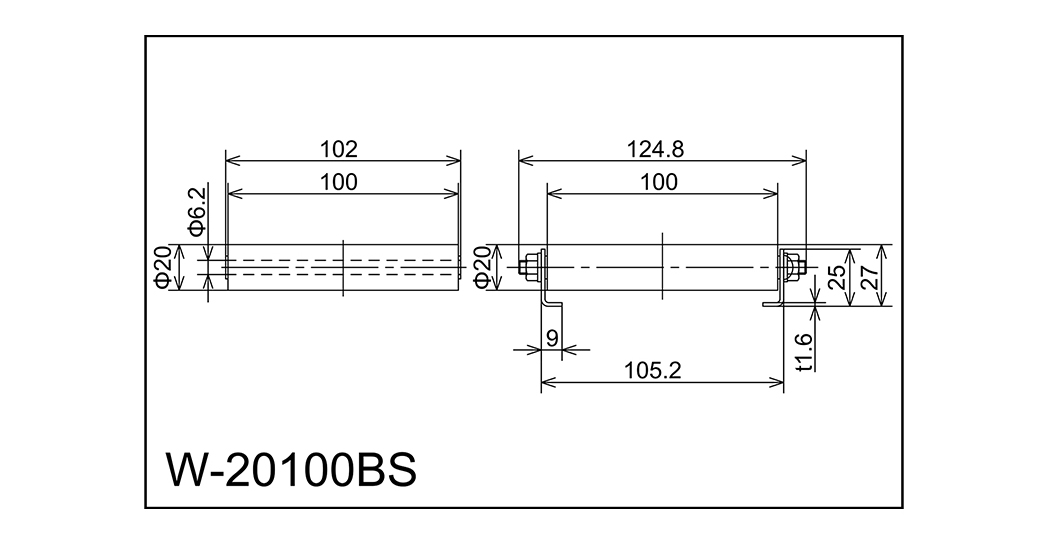
Typ D*w*d*b Hriadeľ Veľkosť rámu h*w1*w2...
| Typ | D*w*d*b | Hriadeľ | Veľkosť rámu h*w1*w2*w3*t | Výška H | Dĺžka L | Tón P | Zaťaženie kolesa (kg) | Typ rámca |
| W-20100B | 20x100x6.2x102 | M6x115l | 25x105.2x9x124.8x1.6 | 27 | 1000 · 1500 · 2000 | 25 · 30 · 35 | 50 | A |

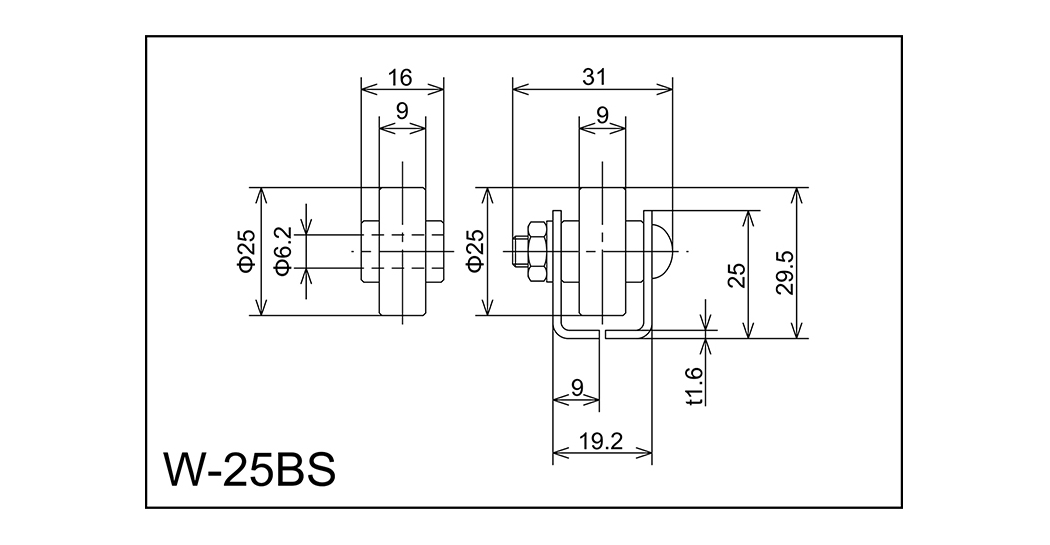
Typ D*w*d*b Hriadeľ Veľkosť rámu h*w1*w2...
| Typ | D*w*d*b | Hriadeľ | Veľkosť rámu h*w1*w2*w3*t | Výška H | Dĺžka L | Tón P | Zaťaženie kolesa (kg) | Typ rámca |
| W-25B | 25x9x6.2x16 | M6x27l | 25x19.2x9x31x1.6 | 29.5 | 1000 · 1500 · 2000 | 30 · 35 | 30 | A |

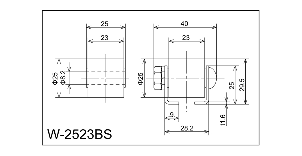
Typ D*w*d*b Hriadeľ Veľkosť rámu h*w1*w2...
| Typ | D*w*d*b | Hriadeľ | Veľkosť rámu h*w1*w2*w3*t | Výška H | Dĺžka L | Tón P | Zaťaženie kolesa (kg) | Typ rámca |
| W-2523bs | 25x23x8.2x25 | M8x35l | 25x28.2x9x40x1.6 | 29.5 | 1000 · 1500 · 2000 | 30-35 | 50 | A |

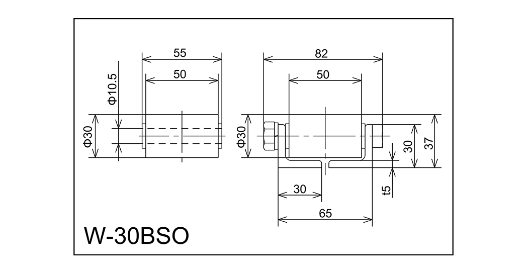
Typ D*w*d*b Hriadeľ Veľkosť rámu h*w1*w2...
| Typ | D*w*d*b | Hriadeľ | Veľkosť rámu h*w1*w2*w3*t | Výška H | Dĺžka L | Tón P | Zaťaženie kolesa (kg) | Typ rámca |
| W-30BSO | 30x50x10,5x55 | M10x75l | 30x65x30x82x5 | 37 | 1000 · 2000 · 3000 | 35 · 50 | 160 | N |

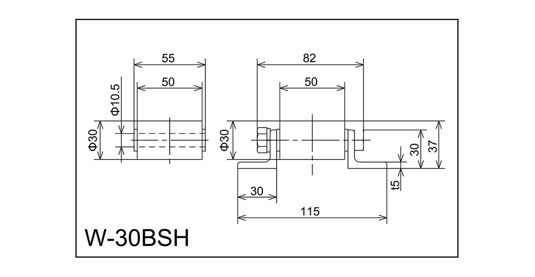
Typ D*w*d*b Hriadeľ Veľkosť rámu h*w1*w2...
| Typ | D*w*d*b | Hriadeľ | Veľkosť rámu h*w1*w2*w3*t | Výška H | Dĺžka L | Tón P | Zaťaženie kolesa (kg) | Typ rámca |
| W-30bsh | 30x50x10,5x55 | M10x75l | 30x115x30x82x5 | 37 | 1000 · 2000 · 3000 | 35 · 50 | 160 | L |

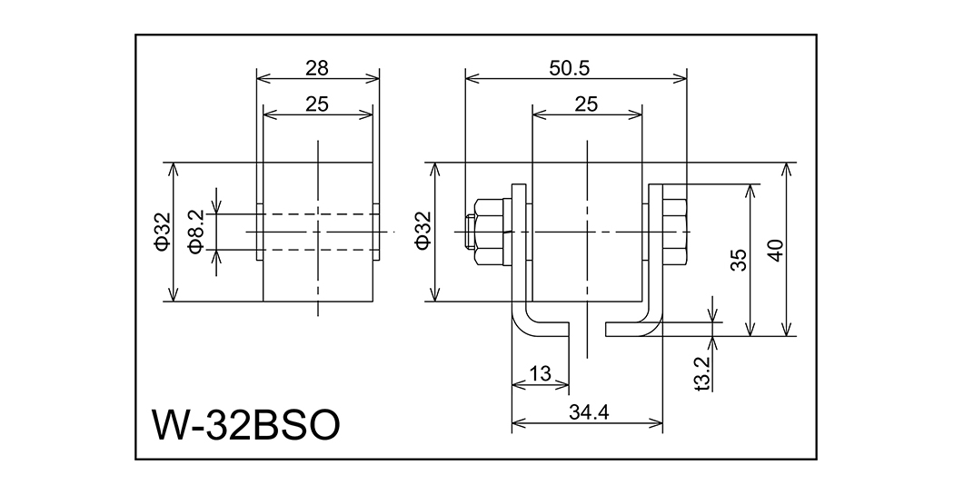
Typ D*w*d*b Hriadeľ Veľkosť rámu h*w1*w2...
| Typ | D*w*d*b | Hriadeľ | Veľkosť rámu h*w1*w2*w3*t | Výška H | Dĺžka L | Tón P | Zaťaženie kolesa (kg) | Typ rámca |
| W-32BSO | 32x25x8.2x28 | M8x45l | 35x34.4x13x50,5x3.2 | 40 | 1000 · 2000 · 3000 | 40 · 70 · 100 | 90 | A |

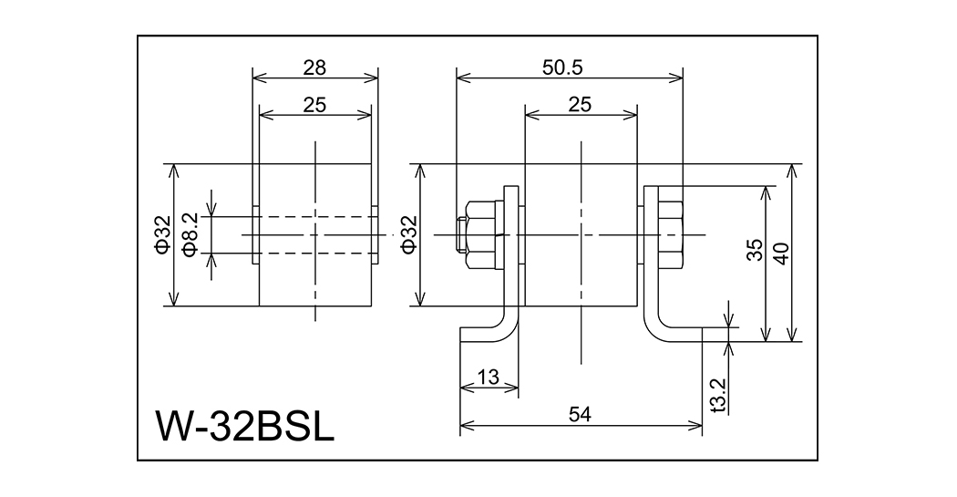
Typ D*w*d*b Hriadeľ Veľkosť rámu h*w1*w2...
| Typ | D*w*d*b | Hriadeľ | Veľkosť rámu h*w1*w2*w3*t | Výška H | Dĺžka L | Tón P | Zaťaženie kolesa (kg) | Typ rámca |
| W-32BSL | 32x25x8.2x28 | M8x45l | 35x54x13x50,5x3.2 | 40 | 1000 · 2000 · 3000 | 40 · 70 · 100 | 90 | C |

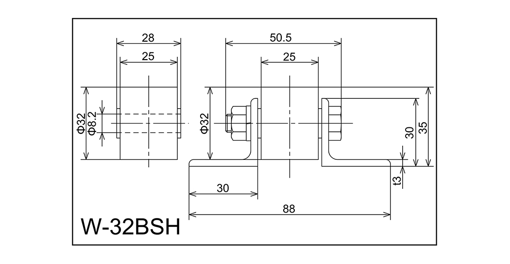
Typ D*w*d*b Hriadeľ Veľkosť rámu h*w1*w2...
| Typ | D*w*d*b | Hriadeľ | Veľkosť rámu h*w1*w2*w3*t | Výška H | Dĺžka L | Tón P | Zaťaženie kolesa (kg) | Typ rámca |
| W-32bsh | 32x25x8.2x28 | M8x45l | 30x88x30x50,5x3.0 | 35 | 1000 · 2000 · 3000 | 40 · 70 · 100 | 90 | L |
Prečo údržba valčekového dopravníka priamo ovplyvňuje životnosť systému Valčekový dopravník ...
Prečítajte si viacČo robí valčekový dopravník skutočne ťažkým? Ťažký valčekový dopravník nie je definovaný marketin...
Prečítajte si viacČo sú to valčekové dopravníky a prečo na type záleží? Valčekové dopravníky sú systémy na...
Prečítajte si viacPrečo valčekové dopravníky zostávajú chrbticou manipulácie s materiálom Valčekové dopravníky ...
Prečítajte si viacDopravníkové systémy prepravovať milióny ton materiálu každý deň cez továrne, sklady, ťažobné ...
Prečítajte si viacHlavné typy systémov pásových dopravníkov v skratke Pásový dopravník systémy spadajú do ...
Prečítajte si viacTipy na údržbu a starostlivosť dopravník kolesa
Počas dlhodobej prevádzky môžu dopravníky akumulovať prach, olej a ďalšie zvyšky, ktoré nielen zvyšujú trenie, ale tiež spôsobia opotrebenie valcov a tratí. Preto by denné čistenie malo obsahovať tlak vzduchu alebo špeciálne nástroje na odstránenie zvyškov z povrchu valca, aby sa zabezpečilo hladký kontakt medzi valcom a traťou. Najmä pri riešení výrobných liniek s lepkavými materiálmi alebo v prašných prostrediach by sa mala zvýšiť frekvencia čistenia. Pravidelná kontrola stavu valcov a valcov, aby sa zabezpečilo, že nie sú deformované alebo poškodené, je dôležitým krokom pri prevencii zlyhaní.
Valčeky a zátvorky počas prevádzky generujú trenie. Dlhodobý nedostatok správneho mazania spôsobí nadmerné opotrebenie a dokonca zaseknutie častí. Výber správneho maziva a pravidelné mazanie podľa frekvencie používania môže účinne znížiť opotrebenie mechanických častí a udržiavať plynulo v prevádzke zariadenia. Vo všeobecnosti by sa mazanie valcov a ložísk malo kontrolovať každé tri mesiace, aby sa zabezpečilo, že každá rotujúca časť je úplne namazaná. Okrem toho správne mazanie môže nielen znížiť opotrebenie, ale tiež znížiť hluk počas prevádzky zariadenia, čím sa vytvorí tichšie pracovné prostredie.
Skontrolujte zaťaženie dopravníka často, aby ste sa uistili, že pracuje v rozsahu menovaného zaťaženia. Preťaženie môže spôsobiť poškodenie alebo deformáciu valcov alebo dokonca spôsobiť vážnejšie zlyhania. Preto je potrebné pravidelne kontrolovať každý prenosový systém, aby sa zabezpečilo, že je v normálnom pracovnom stave, nie je voľný a neprináša abnormálny hluk. Pre sprostredkovanie systémov, ktoré často nesú ťažké predmety, je veľmi dôležité pravidelne kontrolovať a nahradiť kľúčové komponenty, ako sú prevodové reťazce, valčeky a pás.
V spoločnosti Wuxi Huiqian Logistics Machinery Manufacturing Co., Ltd., chápeme dôležitosť vysoko kvalitných zariadení pri udržiavaní efektívnych a spoľahlivých operácií. Naša spoločnosť, ktorá bola založená integráciou pokročilých japonských technológií a odborných znalostí, sa špecializuje na výrobu a predaj valčekov, kolieskových dopravníkov, pásových dopravníkov, skladovacích klietok, logistických vozíkov, mini dopravníkov, rámov a regálov. Naše zariadenie sa nachádza v okrese Wuxi National Hi-Tech Technology Development District a je vybavený robustným systémom riadenia kvality, kvalifikovanou pracovnou silou a najmodernejšími spracovateľskými zariadeniami.
Náš dopravník kolesa , najmä sú navrhnuté s pokročilou technológiou a vyrábajú sa pomocou vysoko kvalitných surovín pod prísnou kontrolou kvality. Tieto dopravníky fungujú nielen výnimočne dobre v zaťažení, ale tiež optimalizujú kontakt medzi valcami a stopami, čím sa zabezpečuje stabilita materiálu počas procesu sprostredkovania a zároveň znižuje opotrebenie a spotrebu energie. Prostredníctvom premysleného návrhu produktu a presnej kontroly procesov si naši dopravníky udržiavajú dlhodobú stabilnú prevádzku aj v drsnom pracovnom prostredí, minimalizujú frekvenciu údržby a znižujú prevádzkové náklady pre podniky.
Skryté aplikácie dopravník kolesa v každodennom živote
Mnoho ľudí si nemusí uvedomiť, že zakaždým, keď sa nakupujú, tovar sa prepravuje zo skladov do políc alebo dokonca priamo do počítadiel pokladní, ktoré nemožno oddeliť od podpory dopravných systémov. V supermarketoch, nákupných strediskách a distribučných centrách veľké množstvo jazdných dopravníkov potichu prevádzkuje a pomáha zamestnancom efektívne prepravovať tovar na určovanie miest prostredníctvom rolovacích dráh. Tieto dopravníky kolies nielen významne zlepšujú prevádzkovú účinnosť, ale tiež znižujú intenzitu pracovnej sily manuálnej manipulácie, čo minimalizuje potenciálne chyby a straty. Ich dizajn zároveň zdôrazňuje stabilitu a trvanlivosť, čo im umožňuje efektívne fungovať v rušnom pracovnom prostredí, aby sa zabezpečilo, že tovar je odložený a šírený včas.
Podobné aplikácie sa nachádzajú aj vo výrobných, skladových a triediacich centrách. Najmä v moderných logistických systémoch sú dopravníky kolies nevyhnutnou súčasťou. Zabezpečujú hladké logistické procesy prenášaním a vedením veľkých množstiev balíkov, častí a tovaru. V týchto poliach zvládajú dopravníky kolesá rôzne záťaže, od malých balíkov po ťažký tovar, ktoré sa dajú hladko prepravovať pomocou valčekových systémov s presnosťou. Najmä počas špičkových dovolenkových období alebo propagačných období sa sklady a logistické centrá veľmi spoliehajú na dopravníky kolies. Ich efektívna kapacita prietoku tovaru účinne zabraňuje oneskoreniam prepravy.
At Wuxi Huiqian Logistics Machinery Manufacturing Co., Ltd., we are proud to contribute to these essential logistics operations. Naša spoločnosť, ktorá bola založená integráciou pokročilých japonských technológií a odborných znalostí, sa špecializuje na výrobu a predaj vysokokvalitných valcov, kolieskových dopravníkov, pásových dopravníkov, skladovacích klietok, logistických vozíkov, mini dopravníkov, rámcov a police. Naše zariadenie so sídlom v okrese Wuxi National Hi-Tech Technology Development je vybavené robustným systémom riadenia kvality, kvalifikovanou pracovnou silou a pokročilým spracovacím zariadením, čím sa zabezpečuje, že každý produkt spĺňa najvyššie normy kvality a výkonu.
Our wheel conveyors, in particular, showcase great advantages in these daily application scenarios. Vyrábané s použitím pokročilých technológií a prémiových valcových materiálov dokážu manipulovať s materiálmi rôznych hmotností a tvarov pri stabilnom pôsobení v zložitých prostrediach. Či už ide o komerčné maloobchodné prostredie, ktoré si vyžaduje vysokofrekvenčné operácie alebo poľa s skladom a logistiku náročné rýchlosť a presnosť, naše dopravníky kolies poskytujú efektívne, hladké a spoľahlivé riešenia prepravy materiálov. Prostredníctvom inovatívneho dizajnu a prísnej kontroly kvality naše výrobky podporujú podniky pri dosahovaní plynulých logistických operácií, znižovaní nákladov a zvyšovania produktivity.







